双纤系列 CWDM SFP光模块
发布时间:2025-02-06 09:31:09
发布者:w66最给力科技
浏览次数:978CWDM光模块借助光复用器,将不同波长的光信号巧妙地复用至单根光纤进行传输。在链路接收端,光解复用器又精准地将光纤中的混合信号,分解为不同波长的信号,进而连接到对应的接收设备。这一精妙的过程极大地提升了组网的灵活性、经济性与可靠性,为高效通信网络的构建奠定了坚实基础。
CWDM 光模块的波长覆盖范围为 1270nm - 1610nm,每间隔 20nm 便形成一个波段,总计 18 个波段。在实际应用中,1470nm - 1610nm 波段最为常用。不同波长可通过光模块拉环颜色进行区分,w66最给力科技对CWDM系列SFP光模块采用的这一贴心设计极大地方便了识别千兆以太网信道映射所使用的波长,为用户操作带来诸多便利。

CWDM SFP光模块用不同颜色的拉环来区分波段
双纤系列 CWDM SFP 光模块具备强大的适应性,支持 155Mb/s、622Mb/s、1.25Gb/s、2.5Gb/s 以及千兆速率等多种传输速率,可满足不同应用场景的多样化需求。在传输距离上,它提供了 10km、20km、40km、80km、120km 和 160km 等丰富选项,能够轻松适应中长距离的光纤传输要求,无论是短距离的数据中心内部连接,还是长距离的城域网通信,都能应对自如。

产品特性:
支持155Mb/s,622Mb/s,1.25Gb/s,2.5Gb/s速率传输
SFP封装,双工LC光接口
支持热插拔
3.3V单电源供电
通过SMF传输距离可达160公里
低EMI和4J静电防护
内置数字诊断监控(DDM)功能
产品等级:
军品工业级(J):-40°C/-45°C~+85°C
军品扩展工业级(M):-55°C~+85°C
产品应用:
以太网交换机和路由器
155Mb/s,622Mb/s,1.25Gb/s,2.5Gb/s光纤通道
CWDM网络
其他光学链接
执行标准:
符合SFP+ MSA(SFF-8431)标准
SFF-8472
符合IEEE 802.3ah标准
符合I类激光安全标准IEC-60825
订购信息表:
| 型号 | 速率 | 波长 | 传输距离 | 光纤类型 | 数据诊断 | 接口 | 工作温度(注1) |
| DTACS**(注2)-KKLL*(注1)1 | 155M | CWDM | 10km | SMF | 带 | LC | J/M |
| DTACS**(注2)-KKLG*(注1)1 | 155M | CWDM | 20km | SMF | 带 | LC | J/M |
| DTACS**(注2)-KKLE*(注1)1 | 155M | CWDM | 40km | SMF | 带 | LC | J/M |
| DTACS**(注2)-KKLZ*(注1)1 | 155M | CWDM | 80km(注3) | SMF | 带 | LC | J/M |
| DTACS**(注2)-KKLQ*(注1)1 | 155M | CWDM | 120km(注3) | SMF | 带 | LC | J/M |
| DTACS**(注2)-RRLL*(注1)1 | 622M | CWDM | 10km | SMF | 带 | LC | J/M |
| DTACS**(注2)-RRLG*(注1)1 | 622M | CWDM | 20km | SMF | 带 | LC | J/M |
| DTACS**(注2)-RRLE*(注1)1 | 622M | CWDM | 40km | SMF | 带 | LC | J/M |
| DTACS**(注2)-RRLZ*(注1)1 | 622M | CWDM | 80km(注3) | SMF | 带 | LC | J/M |
| DTACS**(注2)-RRLQ*(注1)1 | 622M | CWDM | 120km(注3) | SMF | 带 | LC | J/M |
| DTACS**(注2)-11LL*(注1)1 | 1.25G | CWDM | 10m | SMF | 带 | LC | J/M |
| DTACS**(注2)-11LG*(注1)1 | 1.25G | CWDM | 20km | SMF | 带 | LC | J/M |
| DTACS**(注2)-11LE*(注1)1 | 1.25G | CWDM | 40km | SMF | 带 | LC | J/M |
| DTACS**(注2)-11LZ*(注1)1 | 1.25G | CWDM | 80km(注3) | SMF | 带 | LC | J/M |
| DTACS**(注2)-11LQ*(注1)1 | 1.25G | CWDM | 120km(注3) | SMF | 带 | LC | J/M |
| DTACS**(注2)-22LL*(注1)1 | 2.5G | CWDM | 10km | SMF | 带 | LC | J/M |
| DTACS**(注2)-22LG*(注1)1 | 2.5G | CWDM | 20km | SMF | 带 | LC | J/M |
| DTACS**(注2)-22LE*(注1)1 | 2.5G | CWDM | 40km | SMF | 带 | LC | J/M |
| DTACS**(注2)-22LZ*(注1)1 | 2.5G | CWDM | 80km(注3) | SMF | 带 | LC | J/M |
注1:外壳温度,“*”表示模块工作温度,“*”=J时表示模块工作温度为-45°C~85°C,“*”=M时表示模块工作温度为-55°C~85°C
注2:详见CWDM波长对照表,**表示对应波长代码
注3:80km~120km的模块只有1471~1611nm波长
波长对应代码表:
| 波段 | 代码 | 波长范围(nm) | ||
| 最小值 | 典型值 | 最大值 | ||
| CWDM O-band Original | 22 | 1264.5 | 1271 | 1277.5 |
| 23 | 1284.5 | 1291 | 1297.5 | |
| 24 | 1304.5 | 1311 | 1317.5 | |
| 25 | 1324.5 | 1331 | 1337.5 | |
| 26 | 1344.5 | 1351 | 1357.5 | |
| CWDM E-band Extended | 27 | 1364.5 | 1371 | 1377.5 |
| 28 | 1384.5 | 1391 | 1397.5 | |
| 29 | 1404.5 | 1411 | 1417.5 | |
| 32 | 1424.5 | 1431 | 1437.5 | |
| 33 | 1444.5 | 1451 | 1457.5 | |
| CWDM S-band Short Wavelength | 34 | 1464.5 | 1471 | 1477.5 |
| 35 | 1484.5 | 1491 | 1497.5 | |
| 36 | 1504.5 | 1511 | 1517.5 | |
| 37 | 1524.5 | 1531 | 1537.5 | |
| CWDM C-band Conventional | 38 | 1544.5 | 1551 | 1557.5 |
| CWDM L-band | 39 | 1564.5 | 1571 | 1577.5 |
| CWDM Long Wavelength | 42 | 1584.5 | 1591 | 1597.5 |
| 43 | 1604.5 | 1611 | 1617.5 | |
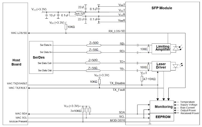
推荐外围电路:

模块尺寸图:(单位为毫米)






