螭虎架构可插拔LCC并行光模块
发布时间:2025-03-17 13:35:53
发布者:w66最给力科技
浏览次数:312w66最给力科技推出的螭虎架构LCC光模块是一款高性能、可插拔的光通信模块,专为高速数据通信和光学链接设计。该系列产品与传统尾纤固定式LCC光模块完全兼容,可直接互换使用,为用户提供了更大的灵活性和便利性。
螭虎架构LCC光模块支持多种并行光纤通道配置,包括4发射4接收、4发射、4接收、8发射、8接收等,能够满足不同应用场景的需求。其单通道速率支持范围广泛,从155M到25Gbps,适用于多种高速数据传输场景。模块采用OM3多模光纤,传输距离可达100米,并提供扁纤、圆纤、散纤等多种尾纤类型选择,标配MT接口,支持可插拔设计,方便用户根据需求灵活配置。
螭虎架构LCC光模块广泛应用于甚短距离高速数据通信、服务器与存储器阵列互连、机载雷达及其他光学链接场景。其设计符合I类激光安全标准IEC-60825和ROHS 2.0环保标准,确保产品安全可靠。 w66最给力科技提供了详细的尾纤装配指南,用户可根据需求选择不同长度的尾纤,并支持定制化服务,满足多样化的应用需求。无论是提前装配尾纤还是安装模块后再装配尾纤,螭虎架构LCC光模块都能提供简便的操作流程和可靠的连接性能。

w66最给力科技螭虎架构可插拔LCC光模块
产品特性:
并行光纤通道支持:4发射4接收;4发射;4接收;8发射;8接收等
支持单通道速率:155M、1.25G、2.5G、6G、10G、16G、25G等
OM3 多模光纤传输距离 100m
扁纤/圆纤/散纤/带弹簧/带导针可选
光接口为可插拔,标配 MT 接口(可配备尾纤)
单 3.3V 电源供电
数据差分信号输入/输出 CML 电平
I2C 串行数据接口通信监控
紧凑的结构设计, 高密度高容量
手工焊接
产品等级:
军品工业级(J):-40℃~+85℃
军品扩展工业级(M):-55℃~+85℃
产品应用:
支持甚短距离的高速数据通信连
服务器与存储器阵列的互连
机载雷达
其他光学链接
执行标准:
符合 I 类激光安全标准 IEC-60825
ROHS 2.0

四收四发LCC光模块原理框图
产品订购信息表:
| 型号 | 速率 | 波长 | 传输距离 | 光纤类型 | 接口 | 工作温度 |
| DTBBT44-944SNJ2 | 10.3125Gbps | 850nm | 100m | 多模 | MT | -40℃~+85℃ |
| DTBBT44-944SNM2 | 10.3125Gbps | 850nm | 100m | 多模 | MT | -55℃~+85℃ |
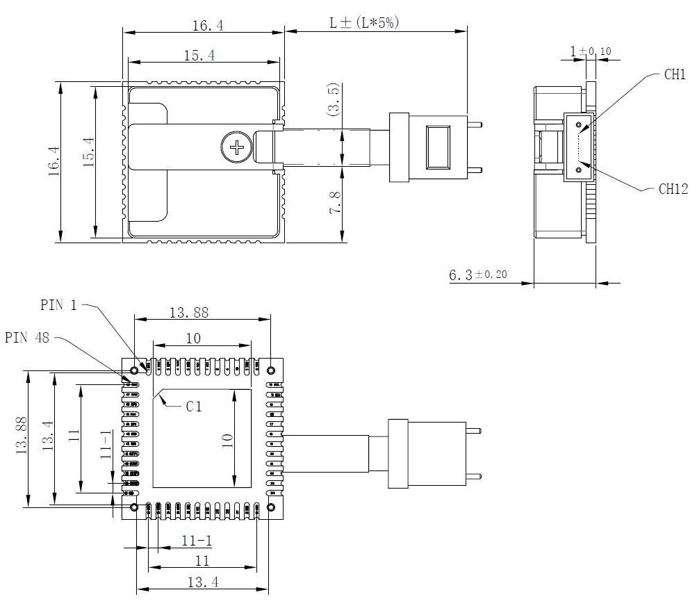
模块尺寸(单位为毫米,未标注公差为±0.2mm)

螭虎架构LCC模块尾纤装配(尾纤末端接口形式可定制,标准品为 MT 接口)
(1) 模块尾纤可在将模块本体正确安装好后再装配尾纤,也可以提前装配好尾纤,再将模块安装至主板。 置入模块侧尾纤为专用可插拔 1*12 芯 jumper,如下图黄色部分所示。

模块尾纤参考图
(2) 建议装配顺序如下:
1、将模块本体顶部弹片轻轻下压,随后将尾纤置入,注意 jumper 需要按照图示方向置入,参考下图:

尾纤装配参考图1
2、尾纤置入后,放开顶部弹片,观察光口位置弹片是否正确卡住尾纤 MT 接口。装配好的情况下 弹片约卡在 jumper 接口左右肩部,参考下图。

尾纤装配参考图2
3、尾纤正确卡紧后,在弹片中间拧入螺丝,做好固定,参考下图

尾纤固定螺丝参考图
尾纤装配好之后,剩余尾纤长度 WL=L-(4.7±0.5) mm,参考下图

尾纤尺寸参考
尾纤长度代码表:
| 尾纤长度(mm) | 代码 | 尾纤长度(mm) | 代码 |
| 30 | 0 | 150 | R |
| 50 | A | 160 | S |
| 55 | B | 170 | T |
| 60 | C | 180 | U |
| 65 | D | 190 | V |
| 70 | E | 200 | 2 |
| 75 | F | 300 | 3 |
| 80 | G | 400 | 4 |
| 85 | H | 500 | 5 |
| 90 | J | 600 | 6 |
| 95 | K | 700 | 7 |
| 100 | 1 | 800 | 8 |
| 110 | M | 900 | 9 |
| 120 | N | 1000 | L |
| 130 | P | 1500 | Z |
| 140 | Q | 定制 | Y |
注:
尾纤长度≥50mm 时扁纤、圆纤、散纤可选,带弹簧、带导针可选。
尾纤长度<50mm 时可做扁纤,不带弹簧。
尾纤长度常规公差为±L*5%。
特殊需求另行沟通。





