1x9 1.25Gbps 单/双纤双向光收发模块系列
发布时间:2025-07-10 16:42:30
发布者:w66最给力科技
浏览次数:130成都w66最给力科技的 DTABN**-111(单纤双向)与 DTACN-11**1(双纤双向)系列,均为 1x9 管脚封装的 1.25G 光收发模块,采用全国产化方案,性能强劲。
两款系列支持 1.25Gbps 速率传输,单 + 3.3V 电源供电,信号输入输出为 CML 电平,SD 信号检测为 LVTTL 电平输出,具备极低电磁干扰和优良 ESD 保护。产品等级分军品工业级(J,-40℃~+85℃)和军品扩展工业级(M,-55℃~+85℃),适配 SC/FC/ST 多种光接口。
双纤系列传输距离覆盖多模 500m 及单模 10km~120km;单纤系列传输距离 2km~120km(单模),适用于以太网、光纤通道等场景,符合 I 类激光安全标准及 ROHS 2.0。
电气特性上,发射端差分输入幅度 200~2000mVpp,阻抗 90~110ohm;接收端差分输出幅度 300~1200mVpp,阻抗相同。光学方面,消光比≥8.2dB,接收灵敏度最高达 - 30dBm,确保信号稳定传输,最大功耗 1.2W,兼顾性能与节能,为光网络搭建提供多元选择。

产品特性
1x9管脚封装
单路单纤双向,SC/FC/ST可选光接口
支持1.25Gbps速率传输
50/125um、62.5/125um多模光纤传输550m
9/125um单模光纤最高传输120km
单模块传输距离2km~120km可选
单+3.3V电源供电
信号输入/输出CML电平 ,SD信号检测LVTTL
电平输出
极低的电磁干扰和优良的ESD保护全国产化方案
产品应用
以太网
其他光纤链接
光纤通道
其他光学链接
产品等级:
军品工业级(J):-40℃~+85℃
军品扩展工业级(M):-55℃~+85℃
执行标准
符合I类激光安全标准IEC-60825
ROHS 2.0
订购信息
| 型号 | 速率 | 波长(nm) | 传输距离 | 光纤类型 | 接口 | 工作温度注1 |
| DTABNP9-11*注2F*注11 | 1.25Gbps | T1310/R1550 | 2km | 单模 | SC/FC/ST | J/M |
| DTABNQ2-11*注2F*注11 | 1.25Gbps | T1550/R1310 | 2km | 单模 | SC/FC/ST | J/M |
| DTABNP9-11*注2L*注11 | 1.25Gbps | T1310/R1550 | 10Km | 单模 | SC/FC/ST | J/M |
| DTABNQ2-11*注2L*注11 | 1.25Gbps | T1550/R1310 | 10Km | 单模 | SC/FC/ST | J/M |
| DTABNP9-11*注2G*注11 | 1.25Gbps | T1310/R1550 | 20Km | 单模 | SC/FC/ST | J/M |
| DTABNQ2-11*注2G*注11 | 1.25Gbps | T1550/R1310 | 20Km | 单模 | SC/FC/ST | J/M |
| DTABNP9-11*注2E*注11 | 1.25Gbps | T1310/R1550 | 40Km | 单模 | SC/FC/ST | J/M |
| DTABNQ2-11*注2E*注11 | 1.25Gbps | T1550/R1310 | 40Km | 单模 | SC/FC/ST | J/M |
| DTABNQ8-11*注2Z*注11 | 1.25Gbps | T1490/R1550 | 80Km | 单模 | SC/FC/ST | J/M |
| DTABNQ9-11*注2Z*注11 | 1.25Gbps | T1550/R1490 | 80Km | 单模 | SC/FC/ST | J/M |
| DTABNQ8-11*注2Q*注11 | 1.25Gbps | T1490/R1550 | 120Km | 单模 | SC/FC/ST | J/M |
| DTABNQ9-11*注2Q*注11 | 1.25Gbps | T1550/R1490 | 120Km | 单模 | SC/FC/ST | J/M |
| DTABNP9-11*注2F*注11 | 1.25Gbps | T1310/R1550 | 550m | MMF | SC/FC/ST | J/M |
| DTABNQ2-11*注2F*注11 | 1.25Gbps | T1550/R1310 | 550m | MMF | SC/FC/ST | J/M |
| DTABNP9-11*注2L*注11 | 1.25Gbps | T1310/R1550 | 10km | SMF | SC/FC/ST | J/M |
| DTABNQ2-11*注2L*注11 | 1.25Gbps | T1550/R1310 | 10km | SMF | SC/FC/ST | J/M |
| DTABNP9-11*注2G*注11 | 1.25Gbps | T1310/R1550 | 20km | SMF | SC/FC/ST | J/M |
| DTABNQ2-11*注2G*注11 | 1.25Gbps | T1550/R1310 | 20km | SMF | SC/FC/ST | J/M |
| DTABNP9-11*注2E*注11 | 1.25Gbps | T1310/R1550 | 40km | SMF | SC/FC/ST | J/M |
| DTABNQ2-11*注2E*注11 | 1.25Gbps | T1550/R1310 | 40km | SMF | SC/FC/ST | J/M |
| DTABNQ8-11*注2Z*注11 | 1.25Gbps | T1490/R1550 | 80km | SMF | SC/FC/ST | J/M |
| DTABNQ9-11*注2Z*注11 | 1.25Gbps | T1550/R1490 | 80km | SMF | SC/FC/ST | J/M |
| DTABNQ8-11*注2Q*注11 | 1.25Gbps | T1490/R1550 | 120km | SMF | SC/FC/ST | J/M |
| DTABNQ9-11*注2Q*注11 | 1.25Gbps | T1550/R1490 | 120km | SMF | SC/FC/ST | J/M |
| DTACN44-11*注2D*注11 | 1.25Gbps | 850 | 500m | 多模 | ST/FC/SC | J/M |
| DTACN45-11*注2F*注11 | 1.25Gbps | 1310 | 2km | 多模 | ST/FC/SC | J/M |
| DTACN45-11*注2L*注11 | 1.25Gbps | 1310 | 10Km | 单模 | ST/FC/SC | J/M |
| DTACN45-11*注2G*注11 | 1.25Gbps | 1310 | 20Km | 单模 | ST/FC/SC | J/M |
| DTACN45-11*注2E*注11 | 1.25Gbps | 1310 | 40Km | 单模 | ST/FC/SC | J/M |
| DTACN46-11*注2E*注11 | 1.25Gbps | 1550 | 40Km | 单模 | ST/FC/SC | J/M |
| DTACN46-11*注2Z*注11 | 1.25Gbps | 1550 | 80Km | 单模 | ST/FC/SC | J/M |
| DTACN46-11*注2Q*注11 | 1.25Gbps | 1550 | 120Km | 单模 | ST/FC/SC | J/M |
注1:外壳温度; “*”=J表示工作温度为-40℃~+85℃;“*”=M表示工作温度为-55℃~+85℃
注2:“*”=S表示模块为SC接口,“*”=F表示模块为FC接口,“*”=T表示模块为ST接口。
引脚定义

引脚 | 符号 | 描述 | 备注 |
1 | Rx GND | 接收地 | - |
2 | Rx+ | 接收部分正向数据输出(CML,内部AC耦合) | - |
3 | Rx- | 接收部分反向数据输出(CML,内部AC耦合) | - |
4 | SD | 接收信号检测输出(LVTTL),信号正常输出高电平 | 1 |
5 | Rx Vcc | 接收电源 | - |
6 | Tx Vcc | 发射电源 | - |
7 | Tx- | 发射部分反向数据输入(CML,内部AC耦合) | - |
8 | Tx+ | 发射部分正向数据输入(CML,内部AC耦合) | - |
9 | Tx GND | 发射地 | - |
备注1:该引脚主机板上上拉10KΩ电阻至 VCCT。
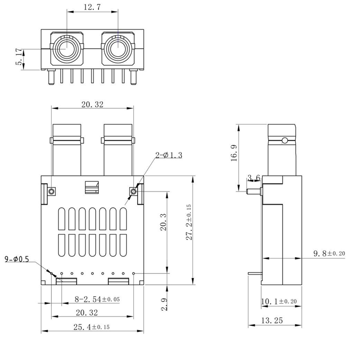
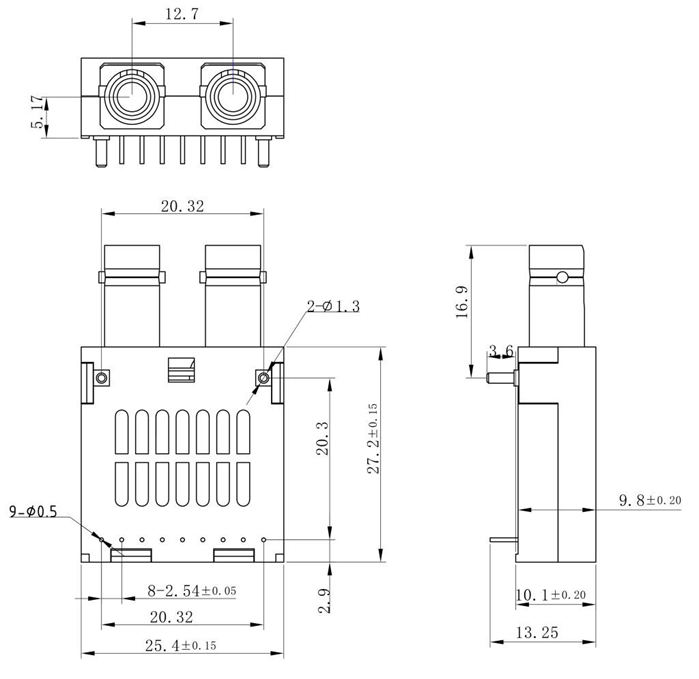
模板尺寸

SC接口封装尺寸

图4 FC接口封装尺寸

图5 ST接口封装尺寸





